YZ Series Motor

YZ Series Motor

Contact Us
  • Product Description
  • Technical Parameters
  • Anatomical Drawings
  • Installation And Size

Product Description 

YZ series of crane and metallurgical power drive three-phase asynchronous motor is suitable for various forms of hoisting machinery and metallurgical auxiliary equipment, in the short-term intermittent periodic duty work for Yu Zheng inversion and other working conditions, can directly start at rated voltage, with the torque, small starting current, high mechanical strength.

Technical Parameters

1

Anatomical Drawings

yz2

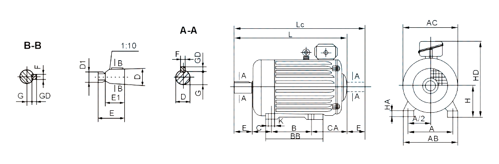
Installation And Size

1 3 2-1 4-1 6-15

CONTACT WITH US
  • captcha