YVP Series Motor

YVP Series Motor

Contact Us
  • Product Description
  • Technical Parameters
  • Anatomical Drawings
  • Installation And Size

Product Description

YVP series VVVF three-phase asynchronous motor is a frequency converter and motor frequency matched, a set of control system composed of the wide range of speed, small vibration, low noise, stable speed, high starting torque, small starting current, can be used in textile metallurgy chemical machine fan transport line.

Technical Parameters

 1-1 2-2

Anatomical Drawings

yvp2

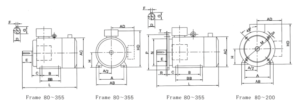
Installation And Size

47-29

CONTACT WITH US
  • captcha